Téitheoir uisce mheandarach éifeachtach MDC 230 móide 3 kW

Fón +49(0)39262 878720

Ríomhphost: gemashop@gema-net.de

WhatsApp: +49(0)17660429928

  • loingseoireachta go tapa

  • Cabhair agus comhairle saor in aisce

  • Tuairisceáin gan stró

  • Ar oscailt 7 lá na seachtaine

Anhaltinerring 17, 39439 Güsten

Oscail Luan go Déardaoin 7am-5pm; Aoine 7am-4pm; Dé Sathairn 9am-12pm

Gema GmbH  |  SKU: MDC230+EEHP3

Footprint MDC 230 móide slat téimh 3 kW

Ainm: Gema GmbH

Seoladh: Anhaltinerring 17, 39429 güsten, Deutschland

Ríomhphost: verkauf@gema-net.de

Láithreán Gréasáin: https://gemashop.de

Déantóir Eorpach: Sea

Praghas gnáth 227,58 €
cBL san áireamh. Loingsiú Gearrfar táille ort ag an tseiceáil amach.


Seachadadh agus loingseoireachta

Is é 1 lá gnó an t-am próiseála de ghnáth. Is é 1-3 lá gnó an t-am seachadta do phacáistí. I gcás seolta lastais, is é 3-5 lá gnó an t-am seachadta. Bíonn amanna seachadta lasmuigh den Ghearmáin éagsúil.

Beschreibung

Pacáiste iomlán téitheoir uisce meandrach MDC 230 móide eilimint téimh 3 kW

Forbhreathnú ar an táirge

Comhcheanglaíonn an pacáiste iomlán an modúl aththéimh ildánach MDC 320 le cartús téimh cumhachtach 3 kW. Tá sé oiriúnach mar bhreis solúbtha ar chórais téimh atá ann cheana féin agus soláthraíonn sé teas breise go hiontaofa nuair is gá.

Le suiteáil thapa, riachtanais spáis bheaga agus tógáil láidir, tá an córas seo oiriúnach le húsáid i bhfoirgnimh nua, i nuachóirithe agus i gcás teipeanna gearrthéarmacha ar an bpríomhfhoinse teasa.

Réimsí úsáide agus cur i bhfeidhm

Comhtháthaíonn an modúl téimh chúnta MDC 320 go gan uaim i gciorcaid téimh oscailte agus dúnta agus is féidir é a úsáid le haghaidh cúltaca leanúnaigh agus mar théamh éigeandála araon. Cuidíonn sé le fuinneamh breise a úsáid go héifeachtúil, mar shampla, ó chórais fhótavoltacha, chun freastal ar riachtanais téimh.

Oiriúnach le húsáid i dtithe deireadh seachtaine agus saoire, cinntíonn an córas soláthar teasa leanúnach fiú i gcás cothabhála nó cliseadh coirí, coirí comhdhlúthaithe nó caidéil teasa.

Gnéithe teicniúla agus trealamh

Tá tithíocht inslithe déanta as cruach amh sa mhodúl le sliogán seachtrach liath cosanta atá brataithe le púdar. Cinntíonn an t-insliú cúr polaúireatáin 50 mm ar tiús oibriú éifeachtach agus fad saoil na feiste.

Feistithe le 1 1/2" Cuireann an nasc snáithe inmheánach don eilimint téimh féidearthachtaí solúbtha ar fáil maidir le cur i bhfeidhm, le huasteocht oibriúcháin de 90 °C agus brú oibriúcháin suas le 10 bar ag cinntiú feidhmeanna sábháilte.

Malartacha feidhmíochta agus sreabhadh íosta

Tá cartús téimh an phacáiste iomláin ar fáil i ranganna cumhachta éagsúla, atá deartha go sonrach le haghaidh 1.5 kW, 2.0 kW, 3.0 kW ag 230 V agus 4.5 kW, 6.0 kW, agus 9.0 kW ag 400 V. Ligeann na cineálacha seo oiriúnú is fearr do riachtanais fuinnimh aonair an chórais téimh.

Ráthaíonn na rátaí sreafa íosta – 86 l/u le haghaidh 1.5 kW, 114 l/u le haghaidh 2.0 kW, 171 l/u le haghaidh 3.0 kW, 257 l/u ag 4.5 kW, 343 ag 6.0 kW agus 514 ag 9.0 kW – aistriú teasa éifeachtach agus oibriú réidh fiú le riachtanais teasa éagsúla.

Buntáistí agus breisluach

Le costais ísle ceannaigh agus suiteáil shimplí, cuireann an córas breisluach suntasach ar fáil. A bhuíochas dá dhearadh dlúth agus dá thógáil láidir, tá sé thar a bheith tarraingteach do spásanna suiteála teoranta agus d’imscaradh tapa.

Cibé acu mar fhorlíonadh ar chórais fuinnimh in-athnuaite nó mar réiteach éigeandála iontaofa, feabhsaíonn an pacáiste iomlán éifeachtúlacht fuinnimh agus méadaíonn sé compord maireachtála ar bhealach inbhuanaithe.

Cartús téimh – breis éifeachtach le haghaidh uisce te agus téimh

Tá an datha téimh 3 kW deartha go speisialta lena úsáid in umair stórála uisce tí agus óil. Cinntíonn sé rialú teochta beacht agus ar an gcaoi sin soláthraíonn sé soláthar teasa comhsheasmhach in iarratais chónaithe agus tráchtála araon.

A bhuíochas leis an gceardaíocht ardchaighdeáin atá déanta as cruach dhosmálta agus plaisteach láidir, ní hamháin go bhfuil an datha téimh buan ach tá sé frithsheasmhach in aghaidh creimeadh agus teochtaí arda freisin.

Ábhair agus sábháilteacht ardchaighdeáin

Ráthaíonn an tógáil cruach dhosmálta agus úsáid corna téimh Alloy 825 an caighdeán ábhair is airde. Cuireann an tithíocht phlaisteach bán béim freisin ar chuma tharraingteach an táirge.

Ligeann tithíocht teirmeastat comhtháite rialú teochta beacht sa raon 5 go 75 °C, agus cuireann teorannóir teochta sábháilteachta ag 93 °C cosaint bhreise ar fáil i gcoinne róthéamh.

Suiteáil éasca agus cosaint iontaofa

Is féidir an datha téimh a chomhtháthú go simplí i dtanc stórála atá ann cheana féin a bhuíochas leis an 1 1/2" Tacaítear le nasc snáithe seachtrach agus fad suiteála dlúth de 420 mm. Cuireann cábla nasctha 1.5 méadar ar fhad soláthar cumhachta simplí ar fáil freisin.

Ina theannta sin, comhlíonann an dá chomhpháirt na caighdeáin sábháilteachta ábhartha: Tá rátáil chosanta IP44 ag an modúl aththéimh, agus tá an datha téimh splancscáileán-dhíonach de réir IPX4. Le brú oibriúcháin uasta de 10 mbarra, tá an dá réiteach feistithe go hidéalach le haghaidh oibríochtaí éilitheacha.

Conclúid: Teas éifeachtach den chaighdeán is airde

Comhcheanglaíonn an pacáiste iomlán, ina bhfuil an modúl aththéimh MDC320 móide datha téimh 3 kW, féidearthachtaí feidhmchláir ildánacha le teicneolaíocht nua-aimseartha agus éascaíocht úsáide. Cuireann sé réitigh téimh solúbtha ar fáil do raon leathan feidhmchlár agus ráthaíonn sé tacaíocht iontaofa nuair is mó a bhíonn gá leis.

Le hábhair ardchaighdeáin, oibriú atá tíosach ar fhuinneamh, agus suiteáil éasca, is é an córas seo an réiteach idéalach chun compord agus feidhmiúlacht na gcóras téimh atá ann cheana a bharrfheabhsú ar bhealach inbhuanaithe.

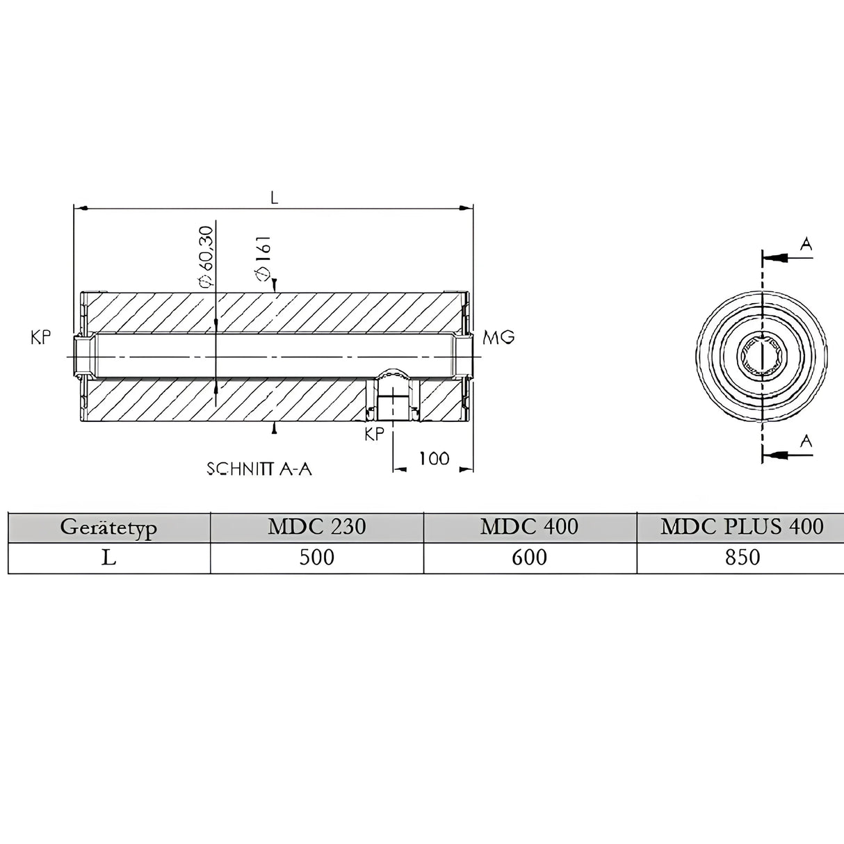
Sonraí teicniúla modúl MDC

  • Sreabhadh agus aisiompú nasc: 1 1/4" IG
  • Ceangal don eilimint téimh: 1 1/2" IG
  • Uasteocht oibriúcháin incheadaithe: 90 °C
  • Uasbhrú oibriúcháin incheadaithe: 10 bar
  • Ábhar tithíochta: cruach amh taobh istigh, brataithe le púdar taobh amuigh
  • Insliú tithíochta: cúr polaisiúiréatáin 50 mm
  • Blaosc seachtrach: plaisteach, dath: liath
  • Sreabhadh íosta: 3.0 kW/171 l/u
  • Eilimintí téimh oiriúnacha don mhodúl MDC230: 1.5 kW | 2.0 kW | 3.0 kW (230 V)
  • Trastomhas istigh an mhodúil MDC: 60 mm
  • Toisí MDC230 (trastomhas x fad): 161 mm x 500 mm

Sonraí teicniúla cartús téimh

  • Aschur téimh: 3 kW
  • Rialú teochta: 5-75°C
  • Histéiréis lasctha air: 7-10°C
  • Fad suiteála: 420 mm
  • Fad neamhthéite: 100 mm
  • Teorannóir teochta sábháilteachta: 93°C
  • Ceangal: 1 1/2" snáithe seachtrach
  • Rang cosanta: IPX4
  • Brú oibriúcháin uasta: 10 bar
  • Ábhar an bhlaosc sheachtraigh: plaisteach, bán
  • Ábhar coil téimh: Cóimhiotal 825
  • Soláthar cumhachta: aonchéim 230 V/16 A
  • Fad cábla: 1.5 méadar le breiseán

Raon feidhme seachadta

  • Modúl iarthéimh MDC 230
  • Eilimint téimh 3 kW
  • Tionól &Treoracha oibriúcháin

Íoslódáil

íocaíocht & Slándáil

Roghanna íocaíochta

  • American Express
  • Apple Pay
  • Bancontact
  • BLIK
  • EPS
  • Google Pay
  • iDEAL
  • Klarna
  • Maestro
  • Mastercard
  • MobilePay
  • PayPal
  • Przelewy24
  • Shop Pay
  • Union Pay
  • Visa

Déantar d’fhaisnéis íocaíochta a phróiseáil go slán. Ní stórálaimid ná ní dhéanaimid rochtain ar fhaisnéis do chárta creidmheasa.

Léirmheasanna Custaiméirí

Bí ar an gcéad duine chun léirmheas a scríobh
0%
(0)
0%
(0)
0%
(0)
0%
(0)
0%
(0)

Déan teagmháil linn

reviews
See all reviews